Каталог товаров
Авиамодели
Пусто
Вертолеты
Пусто
Мультикоптеры
Пусто
Автомодели
Пусто
Судомодели
Пусто
Игрушки
Пусто
Оборудование
Пусто
Про компанию
Наши преимущества
Контакты
Помощь
Оплата и доставка
Возврат и обмен
Язык
Укр
Рус
Оплата и доставка
Возврат и обмен
Наши преимущества
Контакты
Старый интерфейс
Рус
Укр
Корзина
0(99)388-1515
0(73)388-1515
0(68)388-1515
Авиамодели
Вертолеты
Мультикоптеры
Автомодели
Судомодели
Игрушки
Оборудование
Пусто
Главная
Мультикоптеры
Двигатели
Бесколлекторные
Главная
Авиамодели
Двигатели
Электро
Двигатель бесколлекторный SunnySky X2216-1100kv V2 (длинный вал)
Код товара
HM-6817
Попередній
Наступний
В наличии
(7 шт.)
925.00 грн.
Купить
Доставка
Самовывоз с отделения связи
(Нова пошта, УКРПОШТА)
Отправим в день заказа (пн-пт) до 18:00
Доставка куръером
(Нова пошта)
Оплата
Оплата при получении товара, безналичная оплата для физических и юридических лиц
Гарантия
Обмен/возврат товара в течение 14 дней
Общее описание
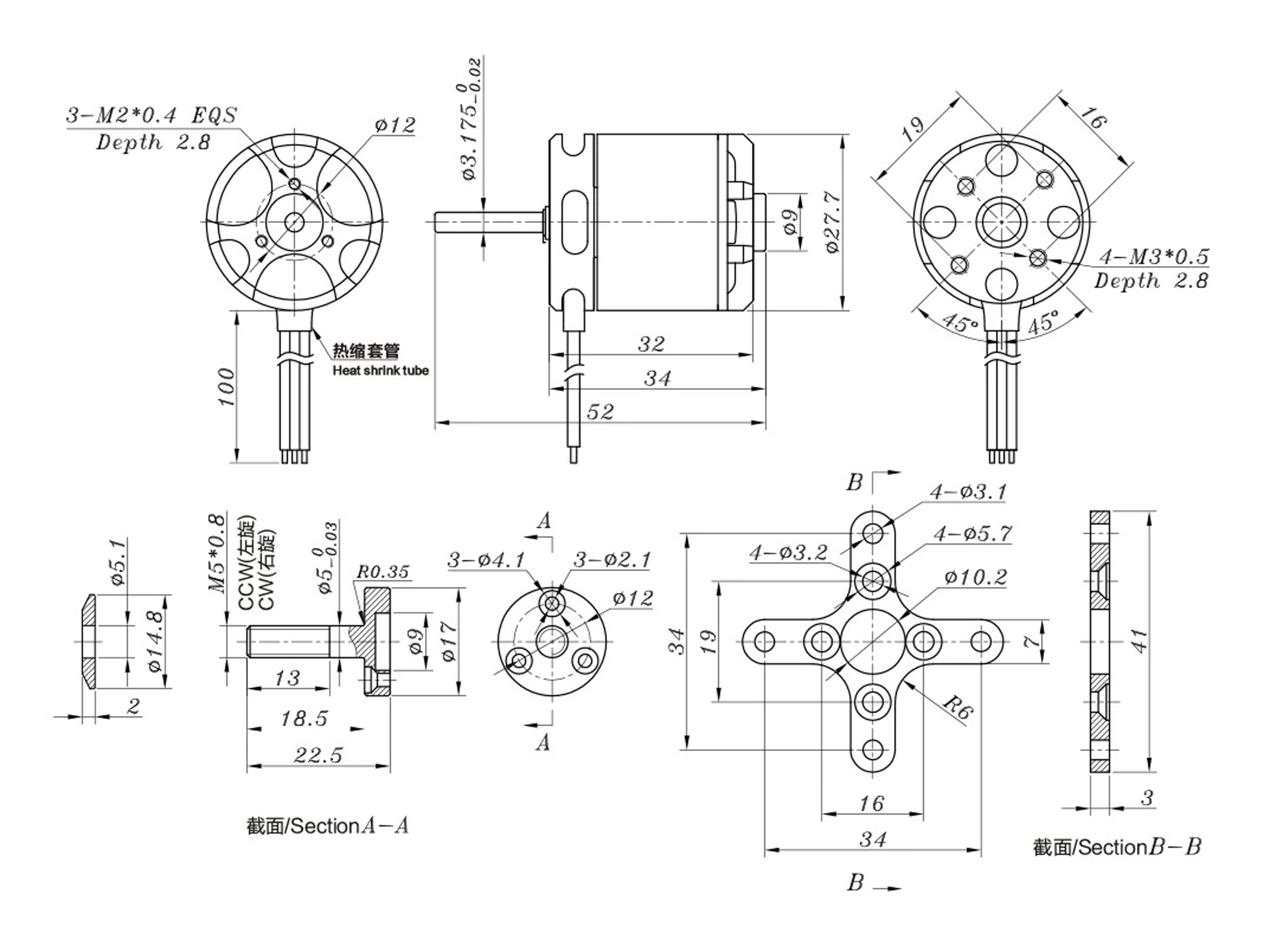
Технические характеристики:
KV: 1100 об/Вольт;
Рабочее напряжение: 7.4-14.8В (2-4S Li-Po);
Максимальная непрерывная нагрузка по току: 24А (30сек);
Максимальная непрерывная мощность: 385Вт;
Максимальная тяга: 1360г;
Рекомендуемый пропеллер: 8060/ 9045/ 9047/ 9060/ 1047;
Диаметр выходного вала: 3.17мм;
Длина выходного вала: 11мм;
Длина проводов: 100мм;
Расстояние между крепежными отверстиями: 19х16мм (М3);
Высота корпуса: 32мм;
Диаметр корпуса: 27.5мм;
Разъем: 3.5мм (polymax);
Вес: 72г.
Комплектация:
Двигатель бесколлекторный SunnySky X2216-1100kv V2 *1шт;
Цанговый адаптер с резьбой М5 *1шт;
Моторома *1шт;
Элементы крепления *1шт
Комментарий / Отзывы
Оставьте свой отзыв об этом товаре
Написать отзыв
Написать отзыв
Написать ответ
Двигатель бесколлекторный SunnySky X2216-1100kv V2 (длинный вал)
Имя
Введите ваше имя
Комментарий
Поле необходимо заполнить
Предупреждение: комментарий будет переверен модератором
@hobbymania.com.ua © 2011-2026 v3.2.0
Корзина
Вход в аккаунт
Логин
Поле необходимо заполнить
Пароль
Введите пароль
Войти
Неверные имя или пароль
Нет аккаунта?
Зарегистрироваться
Подождите...
Регистрация
Имя
Фамилия
Логин *
Заполните имя для входа
Телефон *
Поле необходимо заполнить
Электронная почта
Город
Пароль *
Поле необходимо заполнить
Регистрируясь, я согласен с условиями использования
Зарегистрироваться
Уже есть аккаунт?
Войти